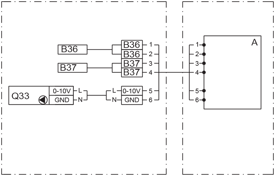
7.18 Podłączanie obwodu przegrzewacza
Obwód przegrzewacza ma czujniki wody zasilającej i powrotnej oraz regulowaną pompę cyrkulacyjną. Czujniki (B36 i B37) i układ regulacji pompy (0–10 V) podłączyć do systemu automatyki wyższego poziomu, jak pokazano na rysunku.
Rysunek 1. Podłączanie obwodu przegrzewacza
