7.10 Podłączanie alarmu ciągłego
W przypadku awarii sygnał alarmu klasy A, właściwy dla danego urządzenia, może być przekazywany z pompy ciepła do systemu automatyki wyższego poziomu.
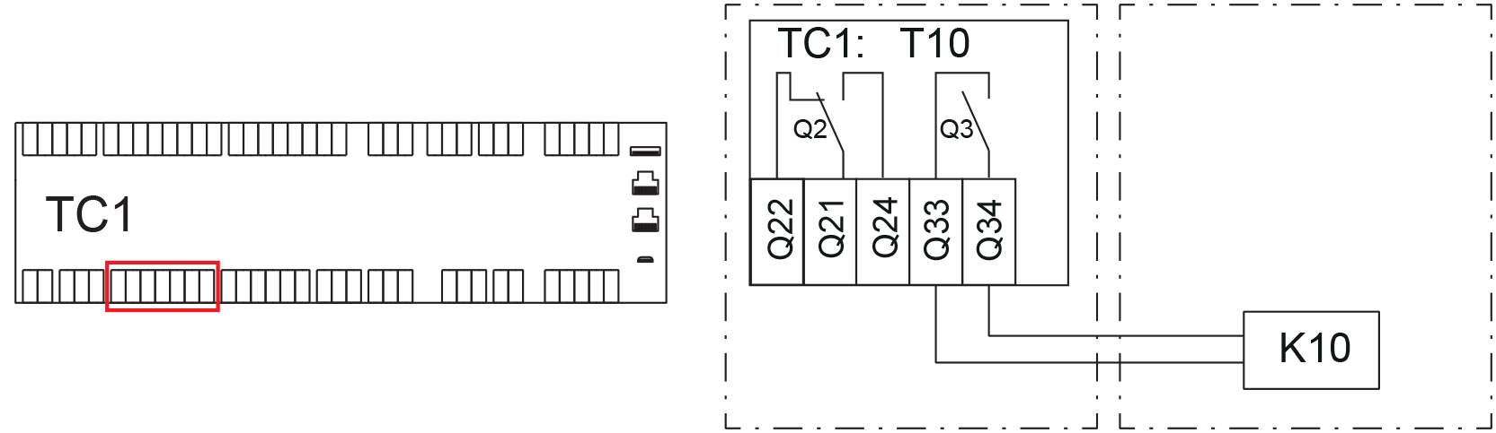
Alarm ciągły (K10) należy podłączyć do bezpotencjałowego przekaźnika Q3 sterownika TC1, jak pokazano na rysunku. Należy użyć 2-żyłowego kabla o przekroju co najmniej 0,5 mm2.
Rysunek 1. Podłączanie alarmu ciągłego
