7.15 Lämmityksen säätöryhmien kytkeminen
Kytke lämmityksen säätöryhmät laajennusmoduuliin TC1.2 seuraavalla tavalla:
Lämmityspiiri 2
Menovesianturi B12: X1 ja M
Huoneanturi B52: X2 ja M
Pumpun hälytys Q6: X3 ja M (jos pumpussa on potentiaalivapaa hälytyskosketin)
Pumpun ohjaus Q6 (230 V): rele Q1, kosketin Q14
Toimilaite TV2:
0-10 V: Y1
24 VAC: G
0 VAC: G0
Kuva 1. Lämmityspiirin 2 kytkeminen


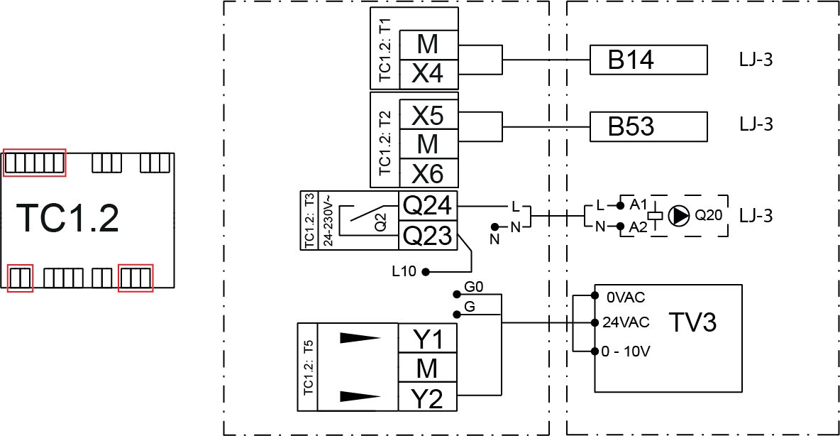
Lämmityspiiri 3
Menovesianturi B14: X4 ja M
Huoneanturi B53: X5 ja M
Pumpun hälytys Q20: X3 ja M (jos pumpussa on potentiaalivapaa hälytyskosketin)
Pumpun ohjaus Q20 (230 V): rele Q2, kosketin Q24
Toimilaite TV3:
0-10 V: Y2
24 VAC: G
0 VAC: G0
Kuva 2. Lämmityspiirin 3 kytkeminen

