17 Sähkökaaviot – Taurus 110 EVI
Layout
Piirikaavio, pää- ja ohjausvirtapiiri (4 sivua)
Modbus, sisäinen väylä
Säädin, TC1
Laajennusmoduuli TC1.1
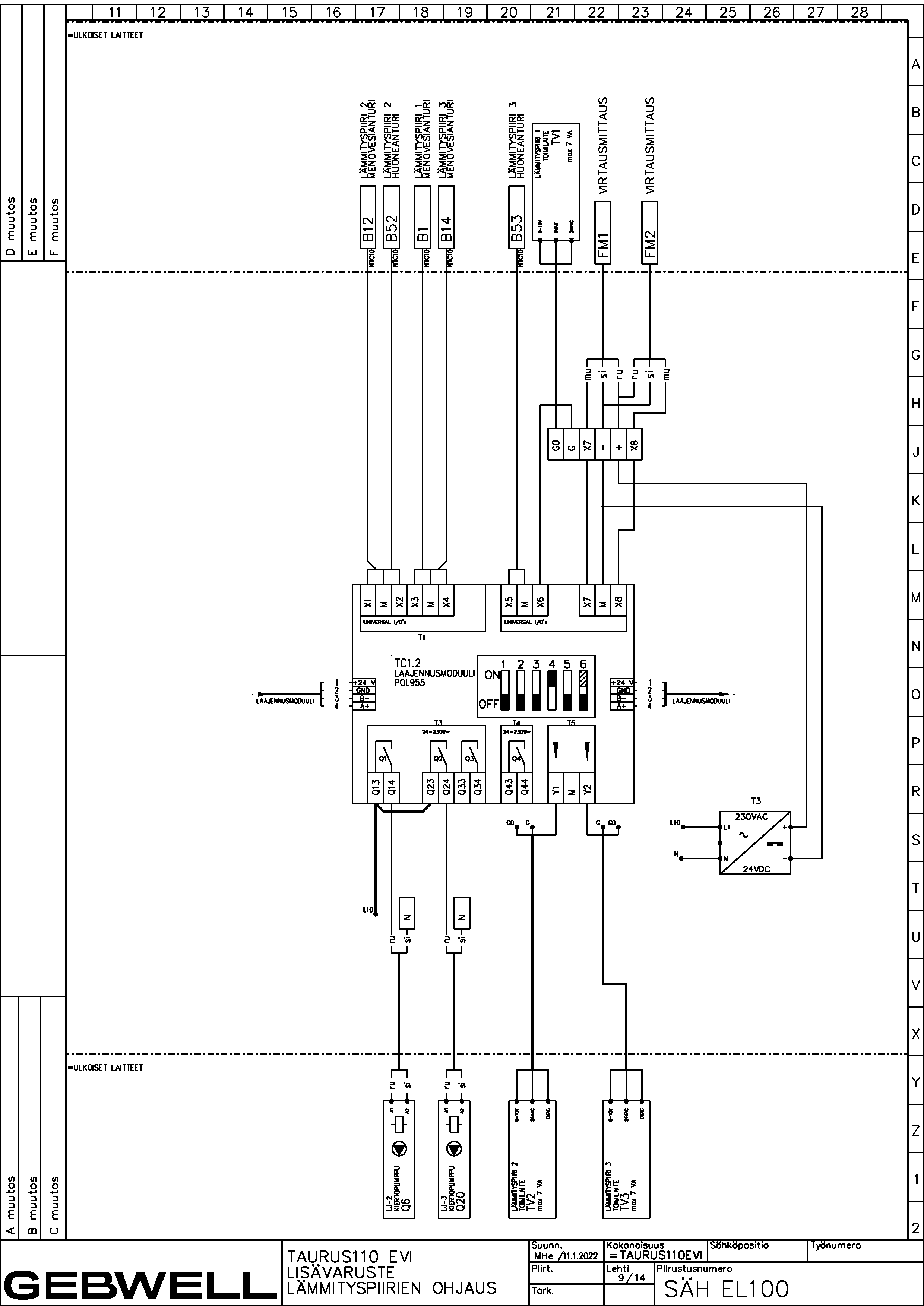
Lisävaruste, lämmityspiirien ohjaus
Lisävaruste, kaskadi
Lisävaruste, jäähdytyksen säätöryhmä
Lisävaruste, käyttöveden säätöryhmä
Paisuntaventtiilin ohjaus, TC3: EXD-TEVI
Ulkoiset väyläliitännät













