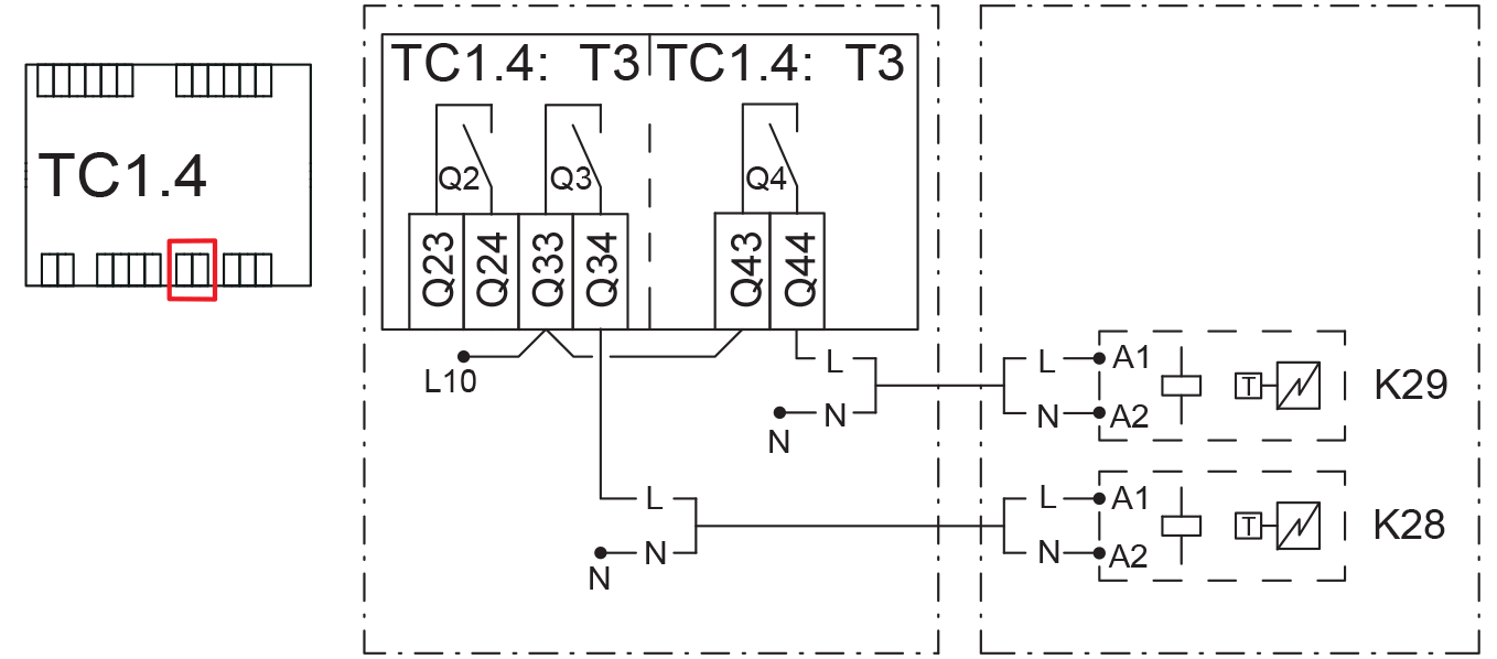
7.7 Lämmitysvaraajan vastuksien kytkeminen
Kytke lämmitysvaraajan porrasohjattujen sähkövastuksien (K28 ja K29) ohjaukset TC1.4 laajennusmoduuliin kuvan osoittamalla tavalla.
Varmista, että vastukset on varustettu termostaateilla ja ylikuumenemissuojilla.
Aseta termostaatti enintään 10˚C korkeampaan lämpötilaan kuin lämmitysverkoston korkein pyyntilämpötila.
Kuva 1. Lämmitysvaraajan vastuksien kytkeminen
